据电力家了解到,近日,辽宁省工业和信息化厅发布关于印发《2024年辽宁省有序用电方案》的通知。
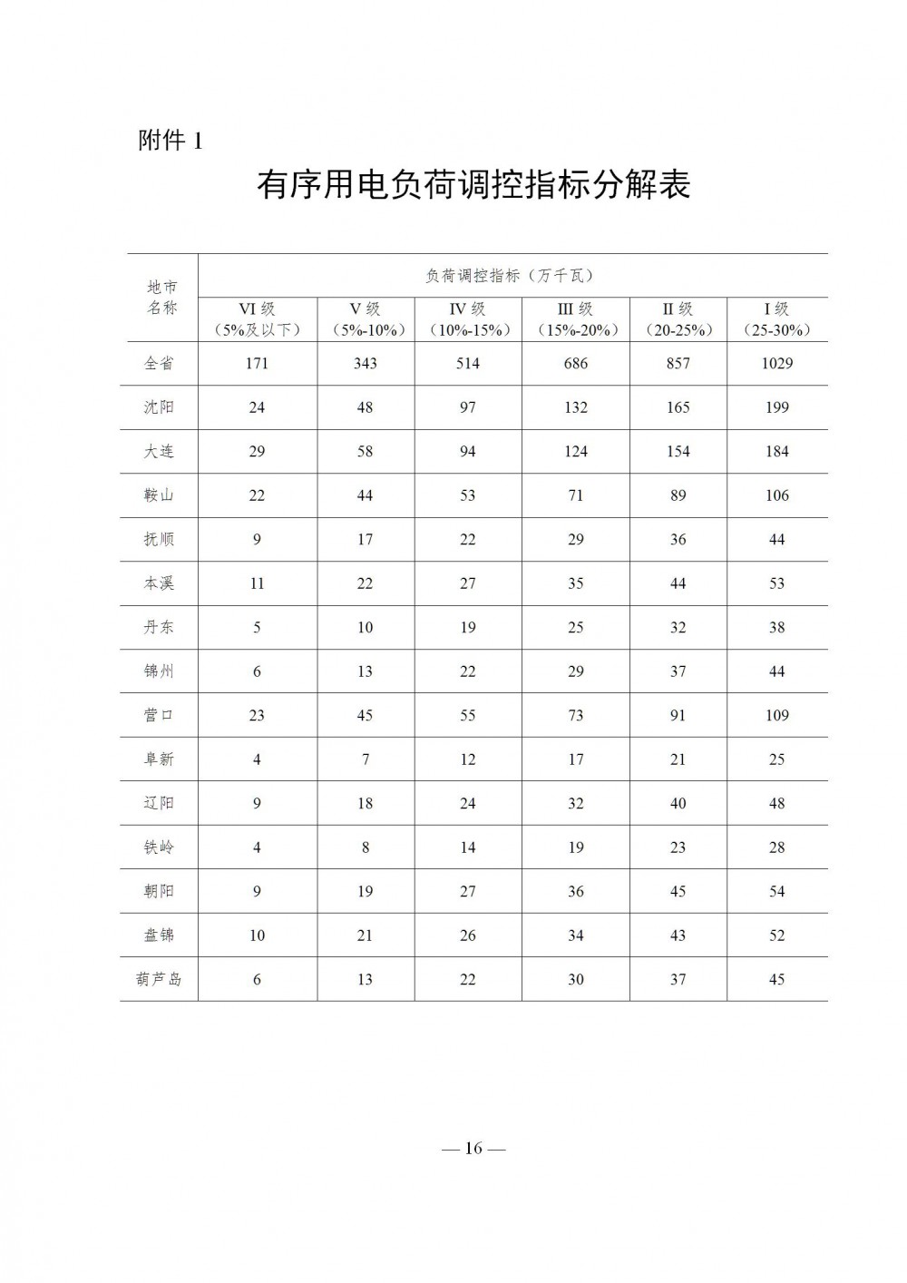
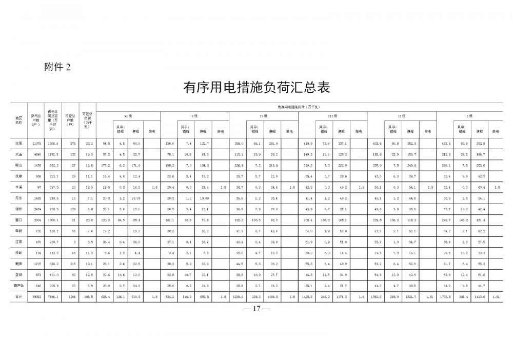
内容指出,有序用电措施包括高峰时段用电负荷转移到其他时段的错峰措施,高峰时段削减、中断或停止用电负荷的避峰措施和特定时段限制某些用户的部分或全部用电需求的限电措施。全省VI级有序用电措施总负荷638.4万千瓦,V级有序用电措施总负荷834.2万千瓦,IV级有序用电措施总负荷1239.6万千瓦,III级有序用电措施总负荷1425.3万千瓦,II级有序用电措施总负荷1592.5万千瓦,I级有序用电措施总负荷1702.8万千瓦。
当全省范围内,出现长时间、大负荷有序用电时,省内部分企业以轮替停产(简称轮停)或有序轮替限制部分生产负荷(简称序限)的方式实施有序用电。由于全省各市“两高”用户分布地区差异明显,本年度由各市统筹本地区“两高”用户执行有序用电措施,首先限制本地区“两高”用户用电需求。当负荷缺口大且持续长时,省工业和信息化厅可以在综合研判出负荷缺口趋势基础上,决定针对个别高耗能行业整行业实施有序用电措施。
省电力公司密切跟踪电力需求走势,协调国网东北分部及时提供数据,提前72小时预测辽宁电网电力供需平衡,预判电力供应紧张时,报经省工业和信息化厅同意后,启动需求响应。省电力公司根据实际需要的负荷削减量确定邀约范围,向邀约范围内的用电企业发出响应邀约,组织执行需求响应方案,响应结束后发出响应解除通知。用电企业应及时反馈是否参与响应及响应能力,按照约定执行需求响应,收到响应解除通知后自行调整用电负荷。
全文如下:
辽宁省工业和信息化厅关于印发《2024年 辽宁省有序用电方案》的通知
辽工信电力〔2024〕57号
各市工业和信息化局,国网辽宁省电力有限公司:
为满足全省经济社会发展和人民生活用电需求,在确保电网安全前提下,保障电力供应平稳有序,最大限度减少因有序用电带来的损失,省工业和信息化厅组织编制了《2024年辽宁省有序用电方案》。现将该方案印发给你们,请遵照执行。
辽宁省工业和信息化厅
2024年5月10日




































